The Job: Wide Swath Research, LLC was awarded a contract to design, manufacture and deliver a digital subsystem for the Gas and Ice Spectrometer Radar (GAISR) program led by Dr. Ken Cooper of the Jet Propulsion Laboratory. This 10 month contract included hardware, firmware and software development.
This was a custom development from the ground up, created to the specifications provided by JPL and optimized to minimize package footprint and power consumption, to use parts compatible with the demands for a future space flight revision and to accommodate their pre-existing digital signal processing payload.
Hardware
The digital subsystem is an FPGA-based, multi-channel data conversion and processing unit controlled via PC. The hardware block diagram and picture of the final delivery is shown below.


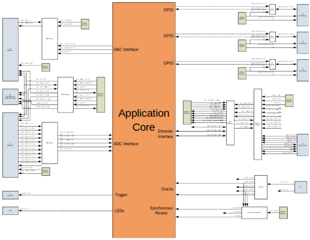
Firmware
The firmware interfaced with the desktop software and controlled all onboard hardware including: arbitrary waveform transmission, buffering ADC data, high speed ethernet communication and user defined general purpose i/o. All hooks were provided for the customer to plug their DSP payload. A high level block diagram of the firmware is provided below.

Software
The software was a cross platform suite of tools for digital subsystem control, real time data recording and a heads up display of recorded data. The software also provided a scripting engine for repeatability of complex configurations.
